If your quality process requires the measurement of torque and/or angle, the PST range of digital static transducers, in combination with delta 6 or 7D, is specifically designed for torque wrenches, pulse tools and electric Nutrunners to provide highly accurate torque and angle measurement to support your quality system.Featuring a high sensitivity transducer and optional angle measurement encoder, in addition to a ‘smart’ chip to store all your important settings.The PST range is your perfect partner to boost your quality.
Country of origin is IT. Customs tariff is 85437090
Benefits
Built-in smart memory chip for automatic recognition eliminating setting errors, quick setup lowering indirect labour cost.
Digital communication provide fast and accurate data transfer with no external noise for a high data reliability.
Extensive DJS Joint simulator range to reproduce different test conditions, meeting your quality requirements.
Small foot print, top or bottom table fixing for a quick setup lowering indirect labour cost.
Accurate torque and angle curves for deep joint analysis to reduce quality defect and potential quality cost.
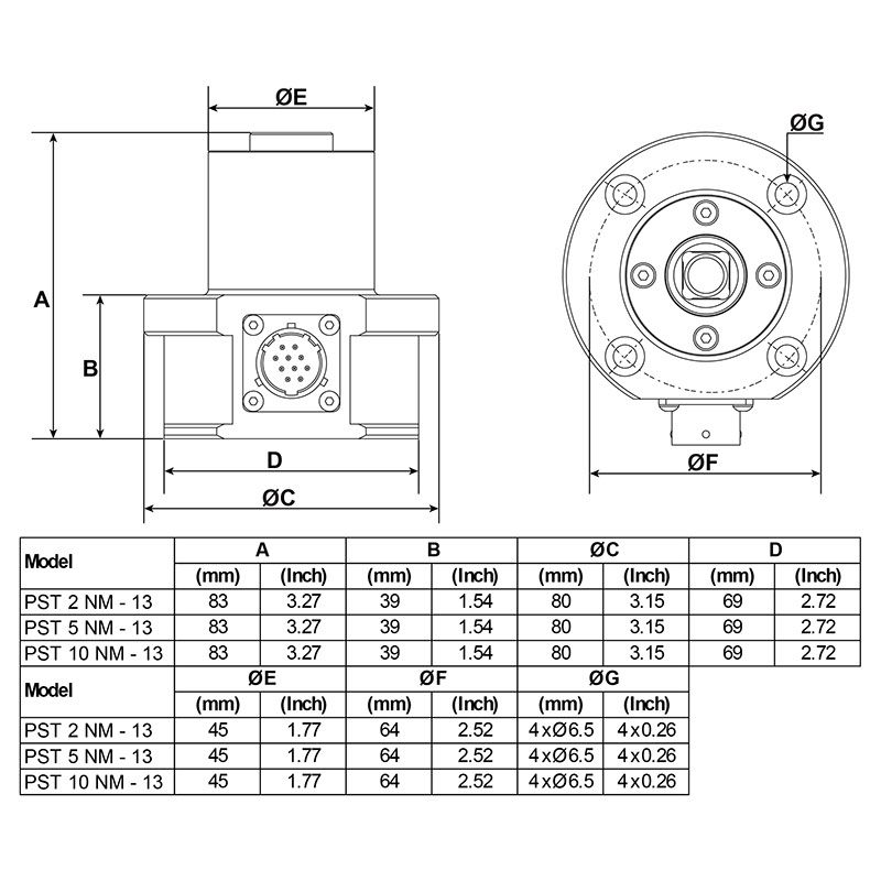
PST 5 Nm – 13
Digital Pulse static torque transducer from 0.5Nm to 5Nm